Hardware Design
TYZS3 Module & MCU serial communication instructions
Typical Application diagram
Diagram 1 MCU(3.3V) & Module cooperative processing mode

Diagram 2 MCU(5V) & Module cooperative processing mode
!
Design specification
1.The module is under the condition of 250Kbps rate and + 19dBm transmit power, power supply consumption: 3.3V, the typical current is about 120mA. Proposed supply current≥300mA. 2. Power filter capacitor C1 & C2 should be distributed as close to the 3.3V pin as possible.C1 & C2≥10uF. 3. RESET pin is module hardware reset pin, effective under the low level. Without external circuitry, it can be directly connected to the IO port of MCU for use.
TYZS5 Module & MCU serial communication instructions
Typical Application diagram
Diagram 1 MCU(3.3V) & Module cooperative processing mode

Diagram 2 MCU(5V) & Module cooperative processing mode

Design specification
1.The module is under the condition of 250Kbps rate and + 19dBm transmit power, power supply consumption: 3.3V, the typical current is about 118mA. Proposed supply current≥300mA. 2. Power filter capacitor C1 & C2 should be distributed as close to the 3.3V pin as possible.C1 & C2≥10uF. 3. RESET pin is module hardware reset pin, effective under the low level. Without external circuitry, it can be directly connected to the IO port of MCU for use.
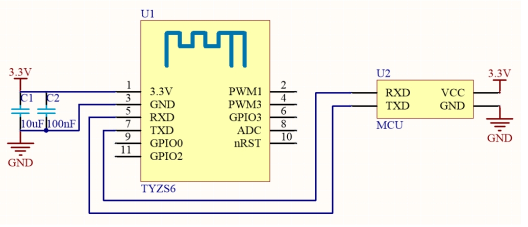
TYZS6 Module & MCU serial communication instructions
Typical Application diagram
Diagram 1 MCU(3.3V) & Module cooperative processing mode

Diagram 2 MCU(5V) & Module cooperative processing mode

Design specification
1.In working mode,power supply consumption: 3.3V, the typical current is about 40mA. Proposed supply current≥100mA. 2. Power filter capacitor C1 & C2 should be distributed as close to the 3.3V pin as possible.C1 & C2≥10uF. 3. nRST pin is module hardware reset pin, effective under the low level. Without external circuitry, it can be directly connected to the IO port of MCU for use.
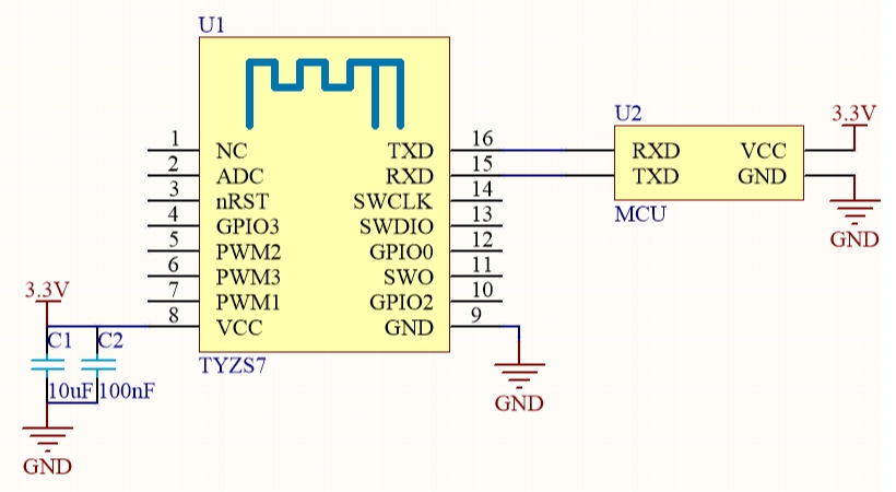
TYZS7 Module & MCU serial communication instructions
Typical Application diagram
Diagram 1 MCU(3.3V) & Module cooperative processing mode

Diagram 2 MCU(5V) & Module cooperative processing mode

Design specification
1.The module is under the condition of 250Kbps rate and + 19dBm transmit power, power supply consumption: 3.3V, the typical current is about 118mA. Proposed supply current≥300mA. 2. Power filter capacitor C1 & C2 should be distributed as close to the 3.3V pin as possible.C1 & C2≥10uF. 3. nRST pin is module hardware reset pin, effective under the low level. Without external circuitry, it can be directly connected to the IO port of MCU for use.
TYZS8 Module & MCU serial communication instructions
Typical Application diagram
Diagram 1 MCU(3.3V) & Module cooperative processing mode

Diagram 2 MCU(5V) & Module cooperative processing mode

Design specification
1.The module is under the condition of 250Kbps rate and + 19dBm transmit power, power supply consumption: 3.3V, the typical current is about 120mA. Proposed supply current≥300mA. 2. Power filter capacitor C1 & C2 should be distributed as close to the 3.3V pin as possible.C1 & C2≥10uF. 3. nRST pin is module hardware reset pin, effective under the low level. Without external circuitry, it can be directly connected to the IO port of MCU for use.
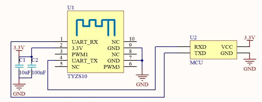
TYZS10 Module & MCU serial communication instructions
## Typical Application diagram
Diagram 1 MCU(3.3V) & Module cooperative processing mode

Diagram 2 MCU(5V) & Module cooperative processing mode

Design specification
1.The module is under the condition of 250Kbps rate and + 19dBm transmit power, power supply consumption: 3.3V, the typical current is about 120mA. Proposed supply current≥300mA. 2. Power filter capacitor C1 & C2 should be distributed as close to the 3.3V pin as possible.C1 & C2≥10uF.
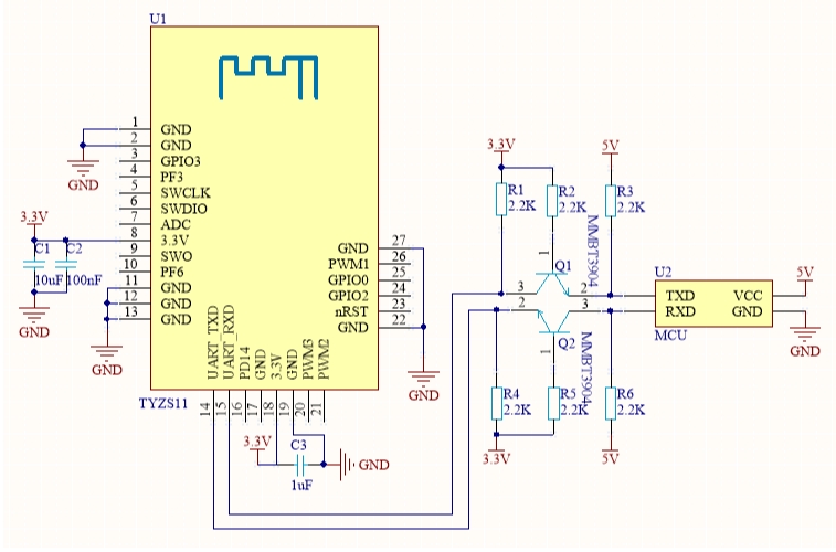
TYZS11 Module & MCU serial communication instructions
Typical Application diagram
Diagram 1 MCU(3.3V) & Module cooperative processing mode

Diagram 2 MCU(5V) & Module cooperative processing mode

Design specification
1.The module is under the condition of 250Kbps rate and + 19dBm transmit power, power supply consumption: 3.3V, the typical current is about 120mA. Proposed supply current≥300mA. 2. Power filter capacitor C1 & C2 should be distributed as close to the 3.3V pin as possible.C1 & C2≥10uF. 3. nRST pin is module hardware reset pin, effective under the low level. Without external circuitry, it can be directly connected to the IO port of MCU for use.
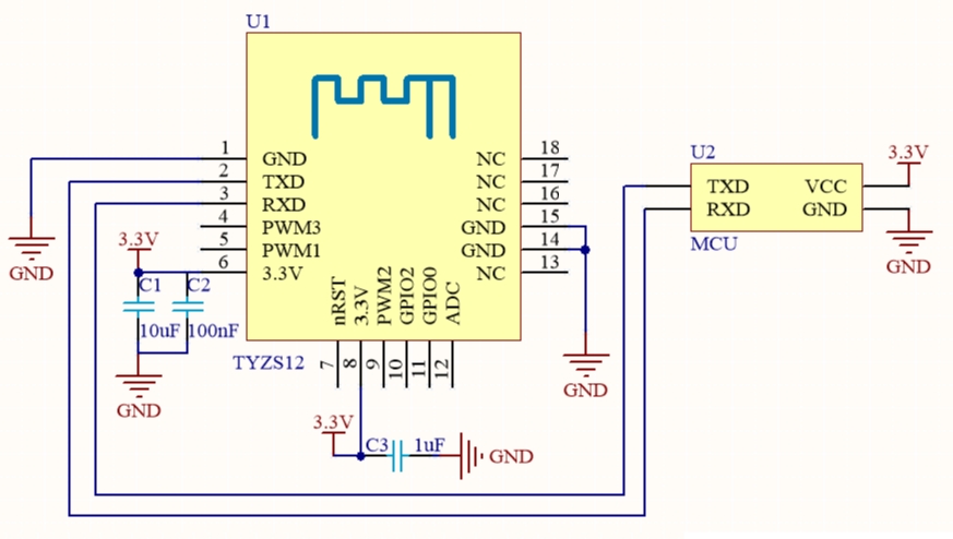
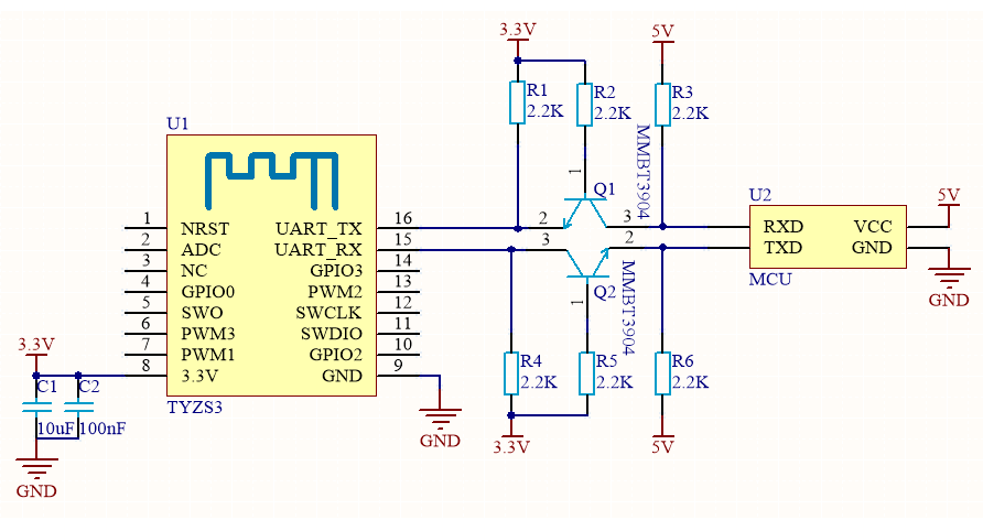
TYZS12 Module & MCU serial communication instructions
Typical Application diagram
Diagram 1 MCU(3.3V) & Module cooperative processing mode

Diagram 2 MCU(5V) & Module cooperative processing mode

Design specification
1.The module is under the condition of 250Kbps rate and + 19dBm transmit power, power supply consumption: 3.3V, the typical current is about 120mA. Proposed supply current≥300mA. 2. Power filter capacitor C1 & C2 should be distributed as close to the 3.3V pin as possible.C1 & C2≥10uF. 3. nRST pin is module hardware reset pin, effective under the low level. Without external circuitry, it can be directly connected to the IO port of MCU for use.
TYZS13 Module & MCU serial communication instructions
Typical Application diagram
Diagram 1 MCU(3.3V) & Module cooperative processing mode

Diagram 2 MCU(5V) & Module cooperative processing mode

Design specification
1.The module is under the condition of 250Kbps rate and + 19dBm transmit power, power supply consumption: 3.3V, the typical current is about 120mA. Proposed supply current≥300mA. 2. Power filter capacitor C1 & C2 should be distributed as close to the 3.3V pin as possible.C1 & C2≥10uF. 3. nRST pin is module hardware reset pin, effective under the low level. Without external circuitry, it can be directly connected to the IO port of MCU for use.
Last updated
Was this helpful?