Sub-G Module
SS3L Module Datasheet
Product Overview
SS3L is a low-power embedded sub-GHz 434 MHz communications module that Tuya has developed. It consists of a highly integrated RF chip (EFR32FG14P231F256IM32-B) and several peripheral components, with an embedded network protocol stack and robust library functions. SS3L is embedded with a low-power 32-bit CPU, 32 KB random-access memory (RAM), 256 KB flash memory, and extensive peripherals. You can develop embedded sub-GHz communications products as required.
Features
Embedded low-power 32-bit CPU, which can also function as an application processor
Clock rate: 40 MHz
Working voltage: 3.0 V to 3.6 V
Peripherals: 13 GPIOs, 1 universal asynchronous receiver/transmitter (UART), and 1 analog to digital converter (ADC)
Sub-GHz connectivity
434 MHz working frequency
50 kbit/s transmission rate, and frequency-shift keying (FSK) modulation
+14 dBm or +20 dBm output power
External antenna connected through an I-PEX connector
Working temperature: –40°C to +105°C
Application Scenarios
Intelligent building
Smart household and home appliances
Smart socket and light
Industrial wireless control
Baby monitor
Network camera
Intelligent bus
Change History
No.
Date
Change Description
Version After Change
1
2019-08-20
This is the first release.
1.0.0
2
2019-09-16
Updated the document.
2.0.0
Module Interfaces
Dimensions and Footprint
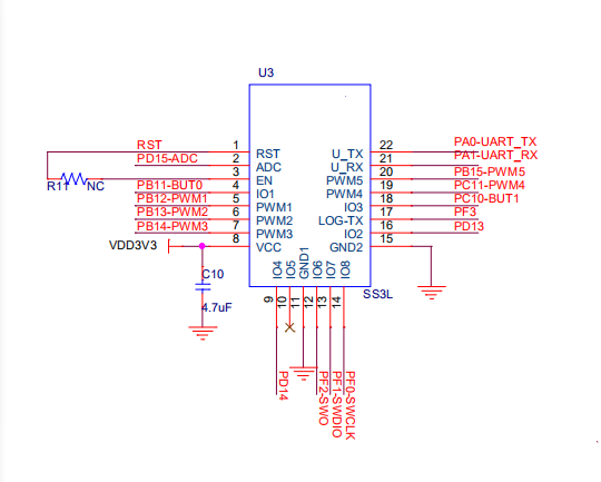
SS3L has three rows of pins with a 2 mm pin spacing. The SS3L dimensions (H x W x D) are 3.3±0.1 mm x 24±0.35 mm x 16±0.35 mm.

Interface Pin Definition
Pin No.
Symbol
I/O Type
Function
1
RST
I/O
Hardware reset pin, which is active at a low level and has been connected to a pull-up resistor
2
ADC
AI
ADC pin
3
EN
I/O
NC pin
4
PB11
I/O
Interrupt pin, which is connected to PB11 (pin 19) on the internal IC
5
PB12
I/O
Hardware PWM pin, which is connected to PB12 (pin 20) on the internal IC
6
PB13
I/O
Hardware PWM pin, which is connected to PB13 (pin 21) on the internal IC
7
PB14
I/O
Hardware PWM pin, which is connected to PB14 (pin 23) on the internal IC
8
3V3
P
Power supply pin (3.3 V)
9
PD14
I/O
Common GPIO pin, which is connected to PD14 (pin 15) on the internal IC
10
NC
I/O
NC pin
11
GND
P
Power supply reference ground pin
12
SWO
I/O
SWO pin, which is used for SWD debugging
13
IO
I/O
SWDIO pin, which is used for SWD debugging
14
CLK
I/O
SWCLK pin, which is used for SWD debugging
15
GND
P
Power supply reference ground pin
16
PD13
I/O
Common GPIO pin, which is connected to PD13 (pin 14) on the internal IC
17
PF3
I/O
Common GPIO pin, which is connected to PF3 (pin 4) on the internal IC
18
PC10
I/O
Common GPIO pin, which is connected to PC10 (pin 31) on the internal IC
19
PC11
I/O
Hardware PWM pin, which is connected to PC11 (pin 32) on the internal IC
20
PB15
I/O
Hardware PWM pin, which is connected to PB15 (pin 24) on the internal IC
21
RX
I/O
UART0_RXD pin
22
TX
I/O
UART0_TXD pin
Note: P indicates a power supply pin, I/O indicates an input/output pin, and AI indicates an analog input pin.
Test Pin Definition
Pin No.
Symbol
I/O Type
Function
N/A
TEST
I/O
Used for the module product test.
Note: Test pins are not recommended.
Electrical Parameters
Absolute Electrical Parameters
Parameter
Description
Minimum Value
Maximum Value
Unit
Ts
Storage temperature
–40
125
°C
VBAT
Power supply voltage
1.8
3.8
V
Static electricity voltage (human body model)
Tamb = 25°C
N/A
2
kV
Static electricity voltage (machine model)
Tamb = 25°C
N/A
0.5
kV
Working Conditions
Parameter
Description
Minimum Value
Typical Value
Maximum Value
Unit
Ta
Working temperature
–20
N/A
105
°C
VBAT
Power supply voltage
2.1
3.3
3.6
V
VIL
I/O low-level input
–0.3
N/A
VCC x 0.3
V
VIH
I/O high-level input
VCC x 0.75
N/A
VCC
V
VOL
I/O low-level output
N/A
N/A
VCC x 0.1
V
VOH
I/O high-level output
VCC x 0.8
N/A
VCC
V
Imax
I/O drive current
N/A
N/A
12
mA
Current Consumption
Working Status
Mode
Rate
TX Power/RX
Average Value
Maximum Value (Typical Value)
Unit
TX
FSK
50 kbit/s
+14 dBm
100
111
mA
RX
FSK
50 kbit/s
–107 dBm
7
17
mA
Low power monitoring
1s period 1ms jump
/
/
<12
/
uA
Low power node
Interrupt the wake - up process(3s)
/
/
1.92
/
mA
Working Current
Working Mode
Working Status (Ta = 25°C)
Average Value
Maximum Value (Typical Value)
Unit
EZ
The module is in EZ mode.
4.7
13
mA
Connected
The module is connected to the network.
7
17
mA
Disconnected
The module is disconnected from the network.
4
13
mA
RF Features
Basic RF Features
Parameter
Description
Working frequency
433.05 MHz to 434.79 MHz
Physical layer standard
IEEE 802.15.4g/c
Data transmission rate
150 kbit/s
Antenna type
IPEX
TX Performance
Continuous TX performance |Parameter |Minimum Value |Typical Value |Maximum Value |Unit| |--------|---------|---------|----------|-----| |Average RF output power|N/A |14| N/A |dBm |Frequency error |–10| N/A |+10| ppm
RX Performance
RX sensitivity |Parameter |Minimum Value |Typical Value |Maximum Value |Unit| |---------|-------|---------|-------|-------| |RX sensitivity|N/A|–107 |N/A |dBm
Antenna Information
Antenna Type
SS3L uses a spring antenna or an external antenna. By default, SS3L uses an external antenna with an I-PEX connector.
Antenna Interference Reduction
To ensure optimal performance when the module uses a spring antenna, it is recommended that the antenna be at least 15 mm away from other metal parts. To prevent adverse impact on the antenna radiation performance, avoid copper or traces along the antenna area on the PCB.
Antenna Connector Specifications

Packaging Information and Production Instructions
Mechanical Dimensions
The PCB dimensions (H x W x D) are 1.0±0.1 mm x 24±0.35 mm x 16±0.35 mm.
Side View

Pin Connections

Production Instructions
Use an SMT placement machine to mount the stamp hole module that Tuya produces onto the PCB within 24 hours after the module is unpacked and the firmware is burned. If not, vacuum pack the module again. Bake the module before mounting it onto the PCB. (1) SMT placement equipment i. Reflow soldering machine ii. Automated optical inspection (AOI) equipment iii. Nozzle with a 6 mm to 8 mm diameter (2) Baking equipment i. Cabinet oven ii. Anti-static heat-resistant trays iii. Anti-static heat-resistant gloves
Storage conditions for a delivered module are as follows: (1) The moisture-proof bag is placed in an environment where the temperature is below 30°C and the relative humidity is lower than 70%. (2) The shelf life of a dry-packaged product is six months from the date when the product is packaged and sealed. (3) The package contains a humidity indicator card (HIC).

Bake a module based on HIC status as follows when you unpack the module package: (1) If the 30%, 40%, and 50% circles are blue, bake the module for 2 consecutive hours. (2) If the 30% circle is pink, bake the module for 4 consecutive hours. (3) If the 30% and 40% circles are pink, bake the module for 6 consecutive hours. (4) If the 30%, 40%, and 50% circles are pink, bake the module for 12 consecutive hours.
Baking settings: (1) Baking temperature: 125±5°C (2) Alarm temperature: 130°C (3) SMT placement ready temperature after natural cooling: < 36°C (4) Number of drying times: 1 (5) Rebaking condition: The module is not soldered within 12 hours after baking.
Do not use SMT to process modules that have been unpacked for over three months. Electroless nickel immersion gold (ENIG) is used for the PCBs. If the solder pads are exposed to the air for over three months, they will be oxidized severely and dry joints or solder skips may occur. Tuya is not liable for such problems and consequences.
Before SMT placement, take electrostatic discharge (ESD) protective measures.
To reduce the reflow defect rate, draw 10% of the products for visual inspection and AOI before first SMT placement to determine a proper oven temperature and component placement method. Draw 5 to 10 modules every hour from subsequent batches for visual inspection and AOI.
Recommended Oven Temperature Curve
Perform SMT placement based on the following reflow oven temperature curve. The highest temperature is 245°C.

Storage Conditions

MOQ and Packing Information
Product Model
MOQ
Packing Method
Number of Modules in Each Reel Pack
Number of Reel Packs in Each Box
SS3L
4000
Carrier tape and reel packing
1000
4
Appendix: Statement
Declaration of Conformity European Notice

Hereby, Hangzhou Tuya Information Technology Co., Ltd declares that this module product is in compliance with essential requirements and other relevant provisions of Directive 2014/53/EU, 2011/65/EU. A copy of the Declaration of Conformity can be found at https://www.tuya.com.

This product must not be disposed of as normal household waste, in accordance with EU directive for waste electrical and electronic equipment (WEEE-2012/19/EU). Instead, it should be disposed of by returning it to the point of sale, or to a municipal recycling collection point.
The device could be used with a separation distance of 20 cm to the human body.
Last updated